欢迎山西晋祠某公司来我公司订购倒伞曝气机一套
一、概述
TXS(大功率)倒伞型表面曝气机分TXS350、TXS375、TXS400三个规格系列,是一种新型污水处理设备,推流能力强、充氧量高,混合搅拌作用大,广泛用于石油、化工、染、制革、医药、造纸、食品、煤气等行业的工业废水和城市生活污水的处理。该设备不仅适用于活性污泥法中污水的曝气,也适用于河流及氧化塘曝气,尤其适宜在卡鲁塞尔氧化沟(多条平行氧化沟)中使用。
二、工作原理及型号示例
污水在叶轮的旋转推进作用下,自叶轮边缘甩出,形成水幕,裹进大量的空气;叶轮由下向上呈锥型扩大,是污水上下循环流动,污水充分混合,液面不断被更新;叶轮底部及背面因水的流动形成负压,吸入空气,故污水能与空气进行大面积混合,氧气迅速溶入污水中,完成对污水的充氧作用,进而待到了净化效果。同时,强大的动力带动了大量水体流动,从而实现推流作用。
三、结构及特点
TXS(大功率)倒伞型表面曝气机主要由电机、减速箱、润滑系统、升降平台、倒伞座、倒伞叶轮、电控系统等部分组成。整机为立式结构,占地小,不易受飞溅的污水所侵蚀。
-
电机:采用Y系列三相异步电机,户外型,低噪音,立式防潮结构,安装于减速箱之上,位置较高,不易受到飞溅的污水和废气侵蚀。同时,为取得充氧动力效率,可配备变频装置进行变频调速,并通过计算机进行自动控制。
-
减速箱:立式结构,三级圆柱斜齿轮传动。齿轮采用的经热处理后磨削加工成形,硬齿面,精度高,运转平稳、传动效率高、振动小、噪音低、不易漏油,设计使用寿命超过十年,尤其其输出轴由于可以正反两个方向旋转,故一台减速箱又相当于两台使用。电机与减速箱的联接通过电机座与联轴器对中联接,无需现场调整,传动效率高,无冲击、噪音低。
-
润滑系统:采用强制式循环,自然冷却润滑系统。润滑齿轮泵直接安装于减速箱的输出轴部位,润滑效果好,结构安全可靠。
-
升降平台:升降结构为平板式,上置减速箱,下联叶轮主轴,由六根螺杆支撑立于工作台上。通过调节固定在六根螺栓上的螺母,即可改变升降平台高度,从而调节叶轮浸没深度,以获取工艺要求的充氧量。叶轮升降动程为±100mm。
-
倒伞座:采用套筒浮轴式结构联接倒伞轴与减速箱,可实现自动对中,拆卸方便。同时由于减速箱不受轴向力,也避免了叶轮旋转时因水力不平衡所造成的偏心而引起的振动和噪声。
-
倒伞叶轮:直式叶片结构,采用的碳素钢经焊接成型,并进行平衡校正、定型、除锈,其径向推流能力强、完全混合区域广,动力效率高、充氧能力大,不挂脏、不堵塞,自洁性能佳,可以正反两个方向旋转。
-
电控系统:恒速型倒伞表面曝气机配备降压启动柜,调速型倒伞表面曝气机配备变频控制柜,无级调速,调速范围大,操作简单,自动化程度高,节能效果好;同时,可根据用户要求配置PLC接口。另:用户也可根据自已的需求另行配置控制柜或配置双速电机来调节叶轮转速,以获取工艺要求的充氧量,节约能耗。
-
更详细的说明请参阅设备的随机技术资料。
-
-
-
-
表面曝气机技术要求
-
1、地基厚度H由设备质量及池型决定;
-
2、3-¢60孔为叶轮安装维修用;
-
3、预留的4个300*300*340孔,安装时二次现浇埋地脚螺栓。
-
4、括号内尺寸为TXDL060C型号使用。
-
-
-
-
表面曝气机技术要求
1、地脚平板厚度可根据设备重量决定,池子大小有土建决定。
2、二通孔¢60为安装或检修时起吊叶轮用,安装地板是注意对准二通孔。
3、地脚孔也可做成通孔,但须配用双头螺栓、垫板固定。
-
-
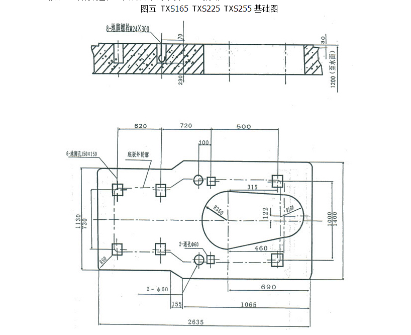
表面曝气机技术要求
-
1、地脚平板厚度可根据设备重量决定,池子大小有土建决定。
-
2、二通孔¢60为安装或检修时起吊叶轮用,安装地板是注意对准二通孔。
-
3、地脚孔也可做成通孔,但须配用双头螺栓、垫板固定。
-
-
表面曝气机技术要求
-
1、地脚平板厚度可根据设备重量决定,池子大小有土建决定。
-
2、二通孔¢60为安装或检修时起吊叶轮用,安装地板是注意对准二通孔。
-
3、地脚孔也可做成通孔,但须配用双头螺栓、垫板固定。
-


