荫蒂被男人添A片视频
联系人:刘经理
手机:1390 6363 487
手机:1855 3611 672
电话:0536-6058547
Q Q:550128607
中文网址:www.曝气机.中国
网址:
地址:山东省诸城市密州街道东黄疃工业园
产品简介:
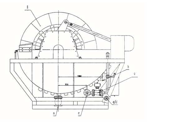
陶瓷过滤机是一种脱水设备,主要由陶瓷过滤板、辊筒系统、搅拌系统、给排矿系统、真空系统、滤液排放系统、刮料系统、反冲洗系统、联合清洗(超声波清洗、自动配酸清洗)系统、全自动控制系统、槽体、机架几部分组成。
陶瓷过滤机主要构造:
陶瓷过滤机主要由辊筒系统、搅拌系统、给排矿系统、真空系统、滤液排放系统、刮料系统、反冲洗系统、联合清洗(超声波清洗、自动配酸清洗)系统、全自动控制系统、槽体、机架几部分组成。
槽体采用耐腐蚀的不锈钢,起装载矿浆的作用,搅拌系统在槽体内搅拌混合物料,避免物料的快速沉降;陶瓷过滤板安装在辊筒上,辊筒在可无级变速的减速机的带动下旋转。陶瓷过滤机所选用的过滤介质为陶瓷过滤板,不用滤布,降低生产成本,卸料时刮刀和滤板之间留有1mm左右的间隙,以防止机械磨损,延长了使用寿命。
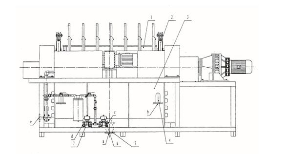
陶瓷过滤机采用反冲洗、联合清洗等方法结合清洗,该系统采用PLC全自动控制,并配有变频器、液位仪、计量泵等装置。开机时,矿浆阀门由料位仪监控,控制矿浆液位的高低,真空罐滤液由液位仪检测,当至高位时,PLC控制系统迅速打开滤液泵出口阀门,快速排水。陶瓷过滤机可根据用户的不同要求,采用远程控制或集中控制。


陶瓷过滤机工作原理:
陶瓷过滤机工作基于毛细微孔的作用原理,采用微孔陶瓷作为过滤介质,利用微孔陶瓷大量狭小具有毛细作用原理设计的固液分离设备,在负压工作状态下的盘式过滤机,利用微孔陶瓷过滤板其特有通水不透气的特性,抽取陶瓷过滤板内腔真空产生与外部的压差,使料槽内悬浮的物料在负压的作用下吸附在陶瓷过滤板上,固体物料因不能通过微孔陶瓷过滤板被截留在陶瓷板表面,而液体因真空压差的作用及陶瓷过滤板的亲水性则顺利通过进入气液分配装置(真空桶)外排或循环利用从而达到固液分离的目的。
陶瓷过滤机外形及机理与盘式真空过滤机的工作原理相类似,即在压强差的作用下,悬浮液通过过滤介质时,颗粒被截留在介质表面形成滤饼,而液体则通过过滤介质流出,达到了固液分离的目的。其不同之处在于过滤介质—陶瓷过滤板具有产生毛细效应的微孔,使微孔中的毛细作用力大于真空所施加的力,使微孔始终保持充满液体状态,无论在什么情况下,陶瓷过滤板不允许空气透过,由于没有空气透过,固液分离时能耗低、真空度高。

陶瓷过滤机的性能优势:
一种用于细煤泥回收的陶瓷过滤机,有一个机座,所述机座下部设有一个细煤泥液料槽,该细煤泥液料槽内设有液位控制器,该细煤泥液料槽两端设有负压集水箱,该负压集水箱一侧装有负压连接组件定盘,另一侧装有真空泵管道,该真空泵管道与一个真空泵连通;所述机座上设有一个煤泥回收转子,该转子由一个主轴、多级陶瓷过滤圆盘、卸料板、多节出水连接管道、管道支架板、负压连接组件动盘组成;所述煤泥回收转子位于所述细煤泥液料槽内;所述陶瓷过滤圆盘由多个陶瓷空腔微孔板构成,位于同一轴线上的多个陶瓷空腔微孔板通过所述出水连接管道连通。
陶瓷真空过滤机的特点:
1、高真空度(真空度0.09~0.098MPa),滤饼料含水分低。
2、固液分离量<50ppm。可反复利用,减少排放。
3、与传统过滤设备相比能耗节省约95%以上,能耗低,运行成本降低。
4、与传统陶瓷过滤机相比增加了滤料洗涤,适用需洗涤的物料。
5、采用PLC、微机结合自动阀门控制,自动化程度高,降低人工的劳动强度。
6、结构紧凑,占地面积小,安装维护方便。
7、采用的排液系统,可适合工况条件下工作
陶瓷过滤机的故障排除:
1、真空度低,不能满足生产要求。主要原因是真空管路泄漏、真空泵循环水不够、真空泵叶轮磨损、分配头磨损、陶瓷过滤板破损、滤液桶排水阀未关紧、矿浆槽料位较低等;
2、反冲洗水压力低或者波动。主要原因是反冲洗水管路系统堵塞或泄露、分配头磨损;
3、滤液桶液位居高不下。主要原因是循环水泵叶轮或泵壳磨损、气压不足以致排水阀无法打开或排水阀本身故障、滤液桶与循环水泵之间的管路有泄漏;
4、超声波清洗时陶瓷过滤板清洗不干净。主要原因是电源箱有故障、电源保险烧坏、线路老化、换能头烧坏、超声盒击穿、矿浆槽水位过低;
5、计量泵工作不正常及反冲洗水倒回酸桶。主要原因计量泵开关未打开、隔膜磨损、频率过低、酸管和反冲洗水管连接的单向阀磨损。